Samples / Industrial Engineering / Sample Chemical and Process Engineering Diagrams
Sample Chemical and Process Engineering Diagrams
Samples of block flow diagrams (BFD), process flow diagrams (PFD) and piping and instrumentation diagrams (P&ID) are created using ConceptDraw DIAGRAM diagramming and vector drawing software enhanced with Chemical and Process Engineering solution from ConceptDraw Solution Park.
Tutorials and Solutions:
Video Tutorials: ConceptDraw Solution Park
Solutions: Chemical and Process Engineering for ConceptDraw DIAGRAM
Sample 1: Process Diagram — Conventional Merox Process Unit for Sweetening Jet Fuel or Kerosene
Chemical and Process Engineering sample: Conventional merox process unit for sweetening jet fuel or kerosene.
This example is created using ConceptDraw DIAGRAM diagramming software enhanced with Chemical and Process Engineering solution from ConceptDraw Solution Park.

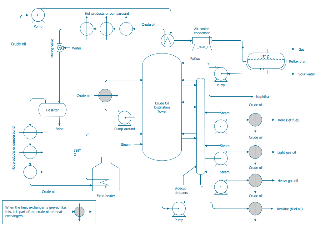
Sample 2: PFD — Crude Oil Distillation
Chemical and Process Engineering sample: Crude oil distillation.
This example is created using ConceptDraw DIAGRAM diagramming software enhanced with Chemical and Process Engineering solution from ConceptDraw Solution Park.

Sample 3: Chemical Engineering — Amine Treating Unit Schematic Diagram
Chemical and Process Engineering sample: Amine treating unit schematic diagram.
This example is created using ConceptDraw DIAGRAM diagramming software enhanced with Chemical and Process Engineering solution from ConceptDraw Solution Park.

Sample 4: Flow Diagram — Natural Gas Condensate
Chemical and Process Engineering sample: Natural gas condensate.
This example is created using ConceptDraw DIAGRAM diagramming software enhanced with Chemical and Process Engineering solution from ConceptDraw Solution Park.

Sample 5: Flow Diagram — Typical Oil Refinery
Chemical and Process Engineering sample: Typical oil refinery.
This example is created using ConceptDraw DIAGRAM diagramming software enhanced with Chemical and Process Engineering solution from ConceptDraw Solution Park.

All samples are copyrighted CS Odessa's.
Usage of them is covered by Creative Commons “Attribution Non-Commercial No Derivatives” License.
The text you can find at: https://creativecommons.org/licenses/by-nc-nd/3.0