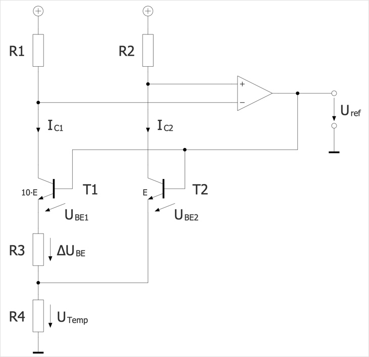
| How to Draw an Analog Circuit DiagramElectronic technology is an integral part of the present. Electronic devices are based on the digital, analog, or combined principle of transmitting an electrical signal. But mainly our world is analog and all the waves in the electromagnetic spectrum are analog as well. In this lesson, we draw the bandgap voltage reference circuit diagram. The bandgap reference technique is one of the most commonly used methods for creating a temperature-independent reference voltage. A voltage reference is a necessity for many electronic devices. It is often used in integrated circuits and voltage regulators. There are many different ways to create an analog circuit diagram. You can create it manually, but the more efficient way is to use graphic software such as ConceptDraw DIAGRAM. The ability to create circuit diagrams of analog devices with ConceptDraw DIAGRAM is provided in the Analog Electronics solution. This solution contains 7 libraries including 215 vector images of industry-standard symbols and 25 examples intended to make short work of building diagrams, electronic schematics, and wiring diagrams that contain analog systems. 
           Result: A professional and good-looking circuit diagram of an analog electronic device. | How it works:
 Useful Solutions and Products:
 
 
 | 
 Business-specific Drawings
					Business-specific Drawings				 . To connect elements using this tool, drag the connector from one connect dot to another.
. To connect elements using this tool, drag the connector from one connect dot to another.
