One-line Diagram
One-line diagram also known as a Single-line diagram is a type of graphic representation of an electrical circuit or system. It uses single lines and standardized graphic symbols to indicate the electrical components and their relationships. It shows the power distribution path from the incoming power source to each downstream load of the circuit. Each circuit is shown by a single line. In addition to the main components, the redundant equipment and spares are included in a diagram.
One-line diagrams provide wide opportunities and a new level for system modeling and design. As a rule, they have wide applications and are used by many trades, in HVAC and plumbing, but most in the electrical field. An electrical One-line diagram gives a visual and simple representation of a complicated electrical distribution system using a single line. One-line diagrams are useful for architects, engineers, designers, electricians, building owners, and many other stakeholders.
One-line diagrams are designed for both simple and complex systems and can show an entire system or its part. It provides an overall description of the system on a single sheet of paper. Special electrical symbols are used to show the components and follow the international standard IEC 60617. It defines symbols for passive components, control elements, protective devices, power transformers, current and control transformers, switches, integral relays and main panels feeder breakers, main and tie breakers, fuses, relays, semiconductors, analog operators, binary logic operators, conductors, critical equipment like batteries, UPS, generators, power distribution equipment, and many other components. One-line diagrams show incoming lines, main cable and wire with isolating switches and potheads, may include the substations.
One-line diagrams provide a set of benefits, they are useful to visually and accurately design and develop electrical equipment. They also help to think over protection to ensure the safe and reliable operation of a facility. In addition, the availability of One-line diagrams is necessary for the arrangement and efficient maintenance, visualization, monitoring, and managing electrical power systems, analyzation results in a simple and intuitive manner. They help to model and study load flow, coordinate studies, evaluate safety, calculate short circuits, identify fault locations and troubleshoot. When designing One-line diagrams, the multi-level nesting of sub-systems is also possible.
Example 1. One-line Diagram Design in ConceptDraw DIAGRAM
ConceptDraw DIAGRAM enhanced with the One-line Diagrams solution offers powerful tools for designing accurate, intuitive, and up-to-date One-line diagrams. The included collection of predesigned vector objects provides the simplicity and rapidity of drawing. One-line Diagrams solution contains 4 libraries including design elements — circuit breakers and fuses SLD, switches, relays, transformers, and other elements.
Example 2. One-line Diagrams Solution Libraries Design Elements
The samples included in One-line Diagrams solution are customizable and can serve as a perfect basis for your drawings. You can just relocate objects, drag new ones and connect them to your diagram. Create innovative electrical engineering schematics to give an accurate picture of the electrical systems, generate reports about the engineering studies and research, design educational materials, identify potential sources of electric energy, analyze systems and track bottlenecks fast and easily with ConceptDraw's One-line diagrams solution.
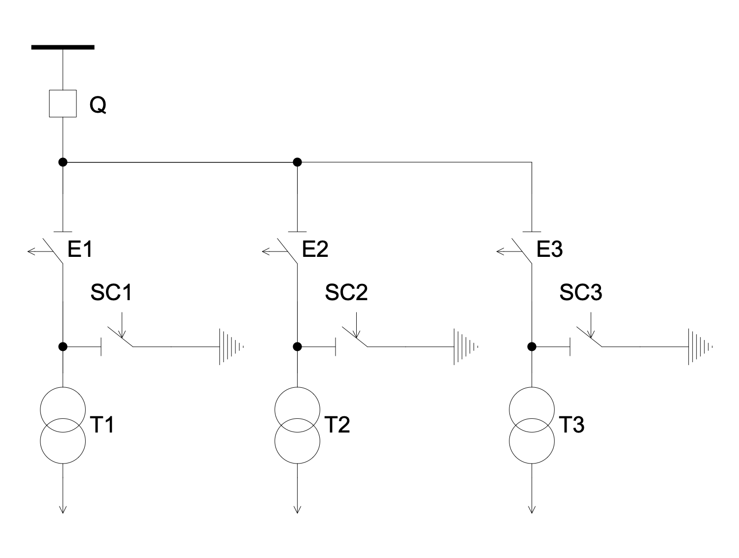
Example 3. One-line Diagram - Electric Substation without High Voltage Switchgear
The One-line Diagram samples you see on this page were created in ConceptDraw DIAGRAM software using the drawing tools of the One-line Diagrams Solution. These examples successfully demonstrate the solution's capabilities and the professional results you can achieve using it. An experienced user spent 5-15 minutes creating each of these samples.
Use the drawing tools of the One-line Diagrams solution to design your own One-line diagrams and schematics quick, easy, and effective.
All source documents are vector graphic documents. They are available for reviewing, modifying, or converting to a variety of formats (PDF file, MS PowerPoint, MS Visio, and many other graphic formats) from the ConceptDraw STORE. The One-line Diagrams Solution is available for ConceptDraw DIAGRAM users.


