Electronic Engineering
The modern world is rapidly growing, and currently, electrical engineering, electronic engineering, and information technologies are the most important fields of business and industry. Electronic engineering covers a broad spectrum of areas and its fast development is also a result of the development and application of a large number of knowledge from related areas.
Electronic engineering is a sub-field of electrical engineering that uses active components like semiconductors, diodes, and transistors in addition to passive ones (resistors, inductors, switches, and capacitors). The active components help to control and amplificate electric current flow. The electronic mechanisms include processing, analysis, filtering, compression, and amplification of electronic, audio, and radio signals, error detection and checking, and correction of signals.
The fields of electronic engineering include analog engineering, digital engineering, radio frequency engineering supplying wireless links for mobile devices, digital development engineering, component engineering, programmable logic engineering, software engineering, and systems engineering.
The opportunities for electronic engineering are huge. The amount of developed electronics, electrotechnical components, devices, and systems is enormous. Electronic engineering concerns the practical applications of electricity in all its forms, the use of the electromagnetic spectrum and electronic devices. It develops both small electronic devices and complex electronic systems like monitoring systems, medical equipment, safety systems, telecommunication devices, broadcast equipment, aeronautical electronics, and many more. Electronic engineering works with light-current applications like telephone and radio communication, computers, automatic control systems, radars, etc.
Example 1. Electronic Engineering Design in ConceptDraw DIAGRAM
Electronic engineering is closely related to electronic circuits, devices, equipment, and systems that use them. It includes designing, producing, testing, running, and maintenance of electronic devices and equipment, sales, marketing, and customer support.
Any electronics development starts with electrical engineering circuit design. Electrical circuits show how the signals pass among devices, obtain and transmit information through wires in the form of audio, video, or encoded data, or via air through radio frequency waves.
Example 2. Analog Electronics Solution Design Elements
Analog Electronics solution for ConceptDraw DIAGRAM includes a large collection of vector design elements and a variety of pre-made samples. This solution is ideal to create electronic engineering schematics and electrical circuits, depict electronic engineering methods, electrical and electronic standards, popular analog modulation techniques. Analog Electronics solution is useful for all electrical and electronic specialists, technical specialists, testers, sales managers at manufacturing companies, service providers, consulting and marketing specialists.
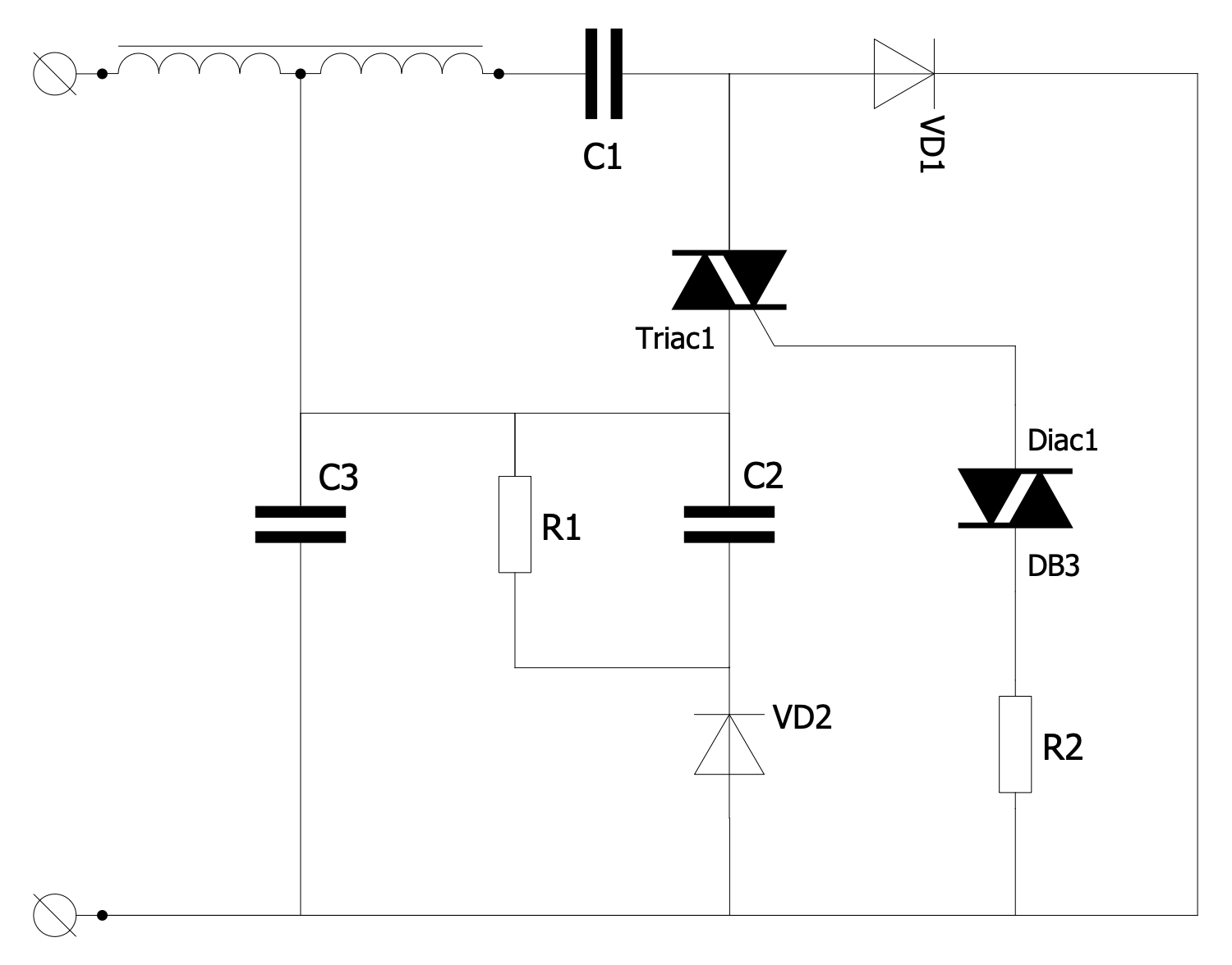
Example 3. Electronic Engineering - Fluorescent Lamp Smart Starter
Analog Electronics solution includes 7 libraries of design elements — electrical signal connectors, semiconductor diodes, transistors, sensors, transducers, and many more. All they are vector and resizable without loss of quality ensuring you to create high-quality schematics and diagrams.
Example 4. Electronic Engineering - Unipolar Stepper Motor Driver
The Analog Electronics samples you see on this page were created in ConceptDraw DIAGRAM software using the drawing tools of the Analog Electronics Solution. These examples successfully demonstrate the solution's capabilities and professional results you can achieve using it. An experienced user spent 10-15 minutes creating each of these samples.
Use the drawing tools of the Analog Electronics solution to design your own Analog Electronics Infographics quick, easy, and effective.
All source documents are vector graphic documents. They are available for reviewing, modifying, or converting to a variety of formats (PDF file, MS PowerPoint, MS Visio, and many other graphic formats) from the ConceptDraw STORE. The Analog Electronics Solution is available for ConceptDraw DIAGRAM users.



