Analog Electronics
Analog electronics is a branch of electrical engineering and a kind of electronic system that deals with continuously variable signals. Analog messages are sent as signals of varying frequency. The proportional relationship exists between a signal and a voltage or current in an analog circuit.
Everything in the real world is analog and analog information surrounds us everywhere. Analog electronics are used to convert analog signals into digital ones that are easily proceed and stored, they also amplify, attenuate, isolate, modify, and even distort signals. These include various analog devices, mechanical and electronic, which convey analog information (sounds, visuals, etc.), radio and audio equipment. Analog electronic devices store information on physical mediums like tapes, films, etc.
Analog methods used in analog electronics allow the equipment to handle information that continuously changes like the voltage, current, and waves. Usually, they operate with time-varying quantities. Analog electronics help to measure, track and adjust numerous parameters including pressure, speed, atmospheric humidity, and many more.
Digital electronics is also widespread and highly used, but analog electronics are a necessity and play an important role in electronic development. Moreover, any time when digital electronics interact with the real world, analog electronics are indispensable to provide this interaction.
Analog electronics provides high accuracy and speed in applications when conversion to and from the digital format is necessary. Analog electronics also has low sensitivity to interference and EMC immunity and is applicable in cases of low power. It is a great advantage because electromagnetic fields and other factors can usually cause interference and affect the reliability and functionality of electronics.
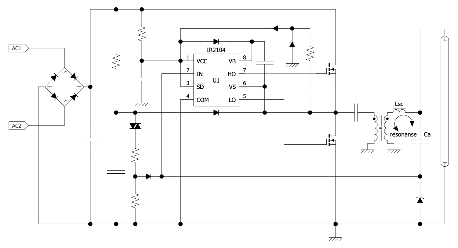
Example 1. Analog Electronics - Current Resonant CCFL Inverter Schematic
There are two large groups of analog circuits: passive and active. Currently, completely analog circuits are a rarity and often include also digital or microprocessor techniques to improve performance. The combination of analog and digital technologies, microcontrollers, and other components often is used to ensure flexibility and develop a first-rate end product relevant to all safety requirements.
Analog circuits include simple and complex combinations of basic electronic components and realize various actions with signals. Smart choice of concept and components, and precisely created electronic circuit schematic provide development of high-quality products, keep down production costs and final cost of the product. Therefore precise schematics are created and then used to develop robust, reliable, safe, and efficient analog circuits and analog electronics.
Example 2. Analog Electronics Solution Design Elements
As a rule, it is quite difficult to create analog circuits, meanwhile ConceptDraw DIAGRAM strives to easier their development. The special Analog Electronics solution included in ConceptDraw STORE offers a large collection of professional drawing tools, pre-made vector design elements — transistors, diodes, crystals, electrical signal connectors, and many more, and professionally designed samples of analog circuits and analog electronics designs. All these tools are useful to create your own analog electronics diagrams in a few minutes.
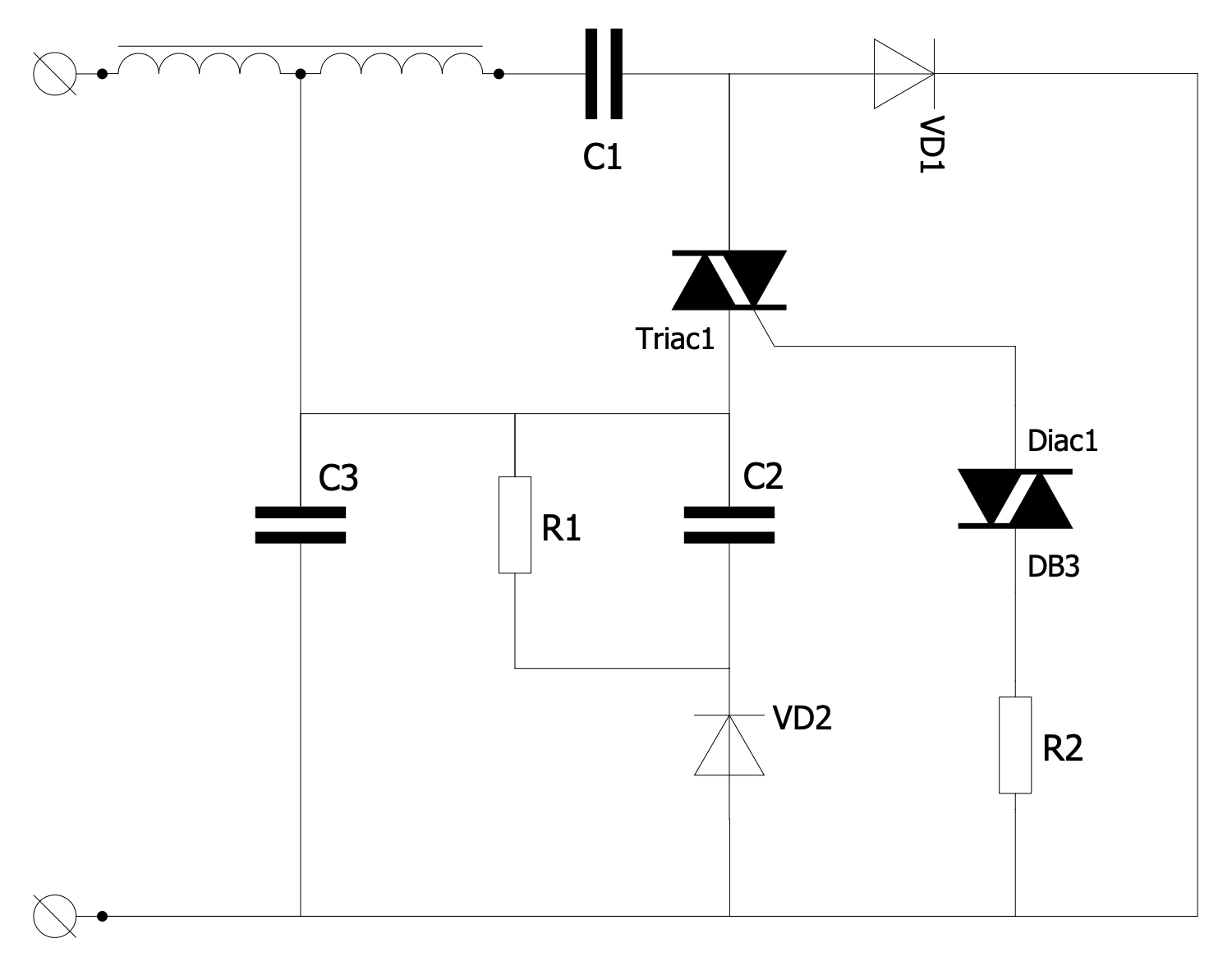
Example 3. Fluorescent Lamp Smart Starter Schematic
The Analog Electronics samples you see on this page were created in ConceptDraw DIAGRAM software using the drawing tools of the Analog Electronics Solution. These examples successfully demonstrate the solution's capabilities and professional results you can achieve using it. An experienced user spent 10-15 minutes creating each of these samples.
Use the drawing tools of the Analog Electronics solution to design your own Analog Electronics Infographics quick, easy, and effective.
All source documents are vector graphic documents. They are available for reviewing, modifying, or converting to a variety of formats (PDF file, MS PowerPoint, MS Visio, and many other graphic formats) from the ConceptDraw STORE. The Analog Electronics Solution is available for ConceptDraw DIAGRAM users.
