Analog Circuits
Modern society widely uses information, electrical and electronic technologies and devices to gather, store, process, and pass various information. The introduction of technical and technological innovations and the development of a substantial amount of modern electronics cause high progress in various fields. Currently, advanced knowledge and methods are used to explore and solve complex engineering tasks including electronic engineering tasks.
We live in an analog world and all real-world signals are analog. They are continuously variable signals in the form of continuous waves and include light, sound, pressure, temperature, motion, tones, etc. Analog waves are smooth and incredibly sensitive to the noise in the environment because noise can distort the signal waveform and cause a loss of information. At the same time, working with continuous analog circuits can decrease noise. Modern electrical engineering offers a lot of electronic and digital devices, but before they can perform any operations with real-world analog signals, these signals should be converted to digital ones.
Analog circuits are a type of electronic circuits that process analog signals and data. They give electronic representations of the physical world. The development of analog circuits including analog integrated circuits preceded digital circuits. The analog input signal is directly fed to the analog circuit without any conversions and any loss and then is processed. The amplification and decrease of a signal are possible.

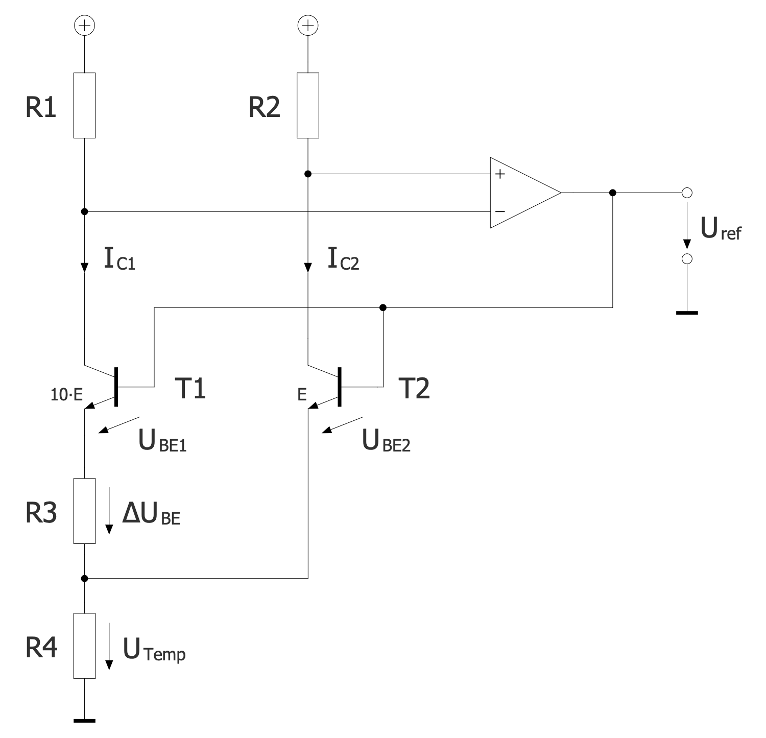
Example 1. Analog Circuits - Band Gap Reference Circuit
Analog circuits are extensively used in various fields of electrical and electronics engineering and are part of many communications devices. They consist of a combination of active and passive components: resistors, transistors, diodes, capacitors, op-amps, and so on. Active components like diodes and transistors in combination with passive components like resistors and capacitors process signals. High-speed transistors are often an essential part of analog circuits.
Analog schematics show key components of analog circuits, communications systems, and other systems. They reflect a proportional representation of the real-world signals in electronic voltage or current. There are two types of analog circuits based on the used components and circuit behavior. These are active circuits like amplifiers and passive circuits like pass filters. The interconnection of several analog circuits, where each circuit performs a specific task, allows the creation of a complex electronic device or system. The manufacturing of analog circuits is often realized by soldering discrete components on a breadboard.
Example 2. Semiconductor Diodes Library Design Elements
Analog Electronics solution includes samples of some basic analog circuit configurations and a set of libraries with predesigned vector elements useful to create analog circuits in a few minutes:
- Sensors and Transducers
- Semiconductor Diodes
- Electrical Signal Connectors
- Transistors
- Field Effect Transistors
- Piezoelectric Crystals
- Thyristors Diacs Triacs
Use this solution to design efficiently analog circuits, show how they function and how differ from digital circuits. It is useful in all stages of electronic engineering: development of electronic circuits, documentation, production, marketing, and selling of electronic products. A variety of schematics that you can design using ConceptDraw DIAGRAM and Analog Electronics solution is enormous. A large collection of ready-made examples of analog electrical engineering circuits is also included. These include two transistor feedback amplifier, unipolar stepper motor driver, band gap reference circuit, and many more.
Example 3. Analog Circuits - LED Circuit
The Analog Electronics samples you see on this page were created in ConceptDraw DIAGRAM software using the drawing tools of the Analog Electronics Solution. These examples successfully demonstrate the solution's capabilities and professional results you can achieve using it. An experienced user spent 5-10 minutes creating each of these samples.
Use the drawing tools of the Analog Electronics solution to design your own Analog Electronics Infographics quick, easy, and effective.
All source documents are vector graphic documents. They are available for reviewing, modifying, or converting to a variety of formats (PDF file, MS PowerPoint, MS Visio, and many other graphic formats) from the ConceptDraw STORE. The Analog Electronics Solution is available for ConceptDraw DIAGRAM users.